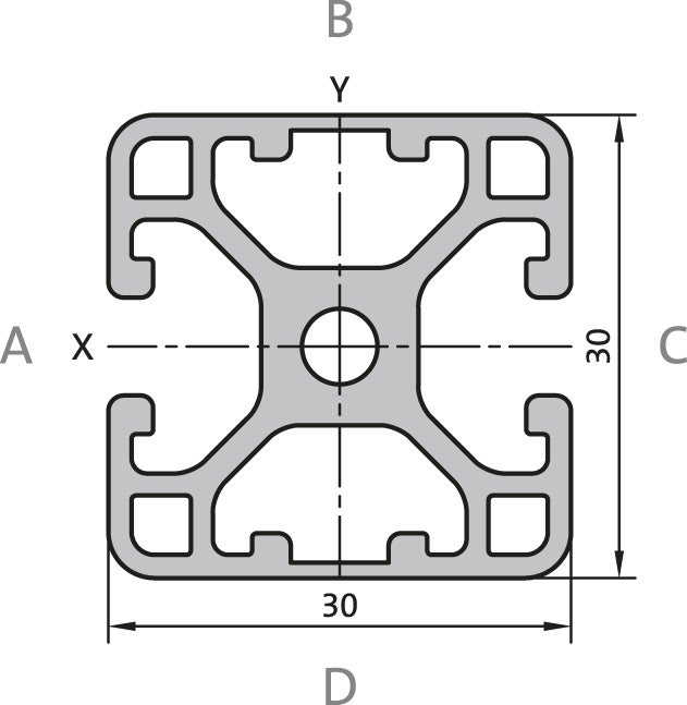
PP3010 – Profile 30x30
System 30 - Slot 6 profile
Aluminiumsprofiler 30 med 6 mm spor.
Download Solidworks Weldments med vores komplette udvalg af profiler til nem design af aluminiumskonstruktioner. Se linket Rollco Weldments under MERE INFORMATION.